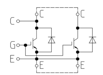
FZ1600R12KF4

指标参数
Parametrics FZ1600R12KF4 Configuration Single switch Dimensions (width) 140.0 mm Dimensions (length) 130.0 mm Housing IHM B IC(nom) / IF(nom) 1600.0 A IC max 1600.0 A Qualification Industrial Technology IGBT4 - P4 VCE(sat) (Tvj=25°C typ) 1.7 V VF (Tvj=25°C typ) 1.8 V Voltage Class 1200.0 V
