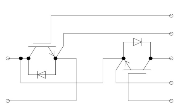
FF100R12KS4

1200 V dual IGBT module
半桥 62 mm 1200 V 100 A 双开关 IGBT 模块,采用支持高频开关的第二代快速IGBT,是您设计工作的不二之选。
特征描述
高短路能力
自限制短路电流
低开关损耗
出色的坚固性
具有正温度系数的VCEsat
封装的 CTI > 400
高爬电距离和电气间隙
绝缘基板
铜基板
标准外壳
优势
灵活性
出色的电气性能
高可靠性

| 图片 | 型号 | 电压 | 技术 | 电流 | VCE(sat) Tvj=25°C typ | VF Tvj=25°C typ | 封装结构 | 长宽 | 宽度 |
![]() | FF100R12KS4 | 1200 V | IGBT2 Fast | 100 A | 3.2 V | 2 V | 62 mm | 106.4 mm | 61.4 mm |
| FF150R12KT3G | 1200 V | IGBT3 - T3 | 150 A | 1.7 V | 1.65 V | 62 mm | 106.4 mm | 61.4 mm | |
| FF150R12KE3G | 1200 V | IGBT3 - E3 | 150 A | 1.7 V | 1.65 V | 62 mm | 106.4 mm | 61.4 mm | |
| FF150R17KE4 | 1700 V | IGBT4 - E4 | 150 A | 1.95 V | 1.65 V | 62 mm | 106.4 mm | 61.4 mm | |
| FF150R12KS4 | 1200 V | IGBT2 Fast | 150 A | 3.2 V | 2 V | 62 mm | 106.4 mm | 61.4 mm | |
| FF150R12KS4_B2 | 1200 V | IGBT2 Fast | 150 A | 3.2 V | 2 V | 62 mm | 106.4 mm | 61.4 mm | |
| FF200R12KT3 | 1200 V | IGBT3 - T3 | 200 A | 1.7 V | 1.65 V | 62 mm | 106.4 mm | 61.4 mm | |
| FF200R12KT3_E | 1200 V | IGBT3 - T3 | 200 A | 1.7 V | 1.65 V | 62 mm | 106.4 mm | 61.4 mm | |
| FF200R12KT4 | 1200 V | IGBT4 - T4 | 200 A | 1.75 V | 1.65 V | 62 mm | 106.4 mm | 61.4 mm | |
| FF200R12KE4 | 1200 V | IGBT4 - E4 | 200 A | 1.75 V | 1.65 V | 62 mm | 106.4 mm | 61.4 mm | |
| FF200R12KE4P | 1200 V | IGBT4 - E4 | 200 A | 1.75 V | 1.65 V | 62 mm | 106.4 mm | 61.4 mm | |
| FF200R12KE3 | 1200 V | IGBT3 - E3 | 200 A | 1.7 V | 1.65 V | 62 mm | 106.4 mm | 61.4 mm | |
| FF200R06KE3 | 600 V | IGBT3 - E3 | 200 A | 1.45 V | 1.55 V | 62 mm | 106.4 mm | 61.4 mm | |
| FF200R17KE3 | 1700 V | IGBT3 - E3 | 200 A | 2 V | 1.8 V | 62 mm | 106.4 mm | 61.4 mm | |
| FF200R12KS4 | 1200 V | IGBT2 Fast | 200 A | 3.2 V | 2 V | 62 mm | 106.4 mm | 61.4 mm | |
| FF200R12KS4P | 1200 V | IGBT2 Fast | 200 A | 3.2 V | 2 V | 62 mm | 106.4 mm | 61.4 mm | |
| FF300R12KT3P_E | 1200 V | IGBT3 - T3 | 300 A | 1.7 V | 1.65 V | 62 mm | 106.4 mm | 61.4 mm | |
| FF300R12KT3_E | 1200 V | IGBT3 - T3 | 300 A | 1.7 V | 1.65 V | 62 mm | 106.4 mm | 61.4 mm | |
| FF300R12KT3 | 1200 V | IGBT3 - T3 | 300 A | 1.7 V | 1.65 V | 62 mm | 106.4 mm | 61.4 mm | |
| FF300R12KT4P | 1200 V | IGBT4 - T4 | 300 A | 1.75 V | 1.65 V | 62 mm | 106.4 mm | 61.4 mm | |
| FF300R12KT4 | 1200 V | IGBT4 - T4 | 300 A | 1.75 V | 1.65 V | 62 mm | 106.4 mm | 61.4 mm | |
| FF300R06KE3 | 600 V | IGBT3 - E3 | 300 A | 1.45 V | 1.55 V | 62 mm | 106.4 mm | 61.4 mm | |
| FF300R12KE3 | 1200 V | IGBT3 - E3 | 300 A | 1.7 V | 1.65 V | 62 mm | 106.4 mm | 61.4 mm | |
| FF300R06KE3_B2 | 600 V | IGBT3 - E3 | 300 A | 1.45 V | 1.55 V | 62 mm | 106.4 mm | 61.4 mm | |
| FF300R07KE4 | 650 V | IGBT4 - E4 | 300 A | 1.55 V | 1.55 V | 62 mm | 106.4 mm | 61.4 mm | |
| FF300R17KE4 | 1700 V | IGBT4 - E4 | 300 A | 1.95 V | 1.8 V | 62 mm | 106.4 mm | 61.4 mm | |
| FF300R12KE4_E | 1200 V | IGBT4 - E4 | 300 A | 1.75 V | 1.65 V | 62 mm | 106.4 mm | 61.4 mm | |
| FF300R12KE4P | 1200 V | IGBT4 - E4 | 300 A | 1.75 V | 1.65 V | 62 mm | 106.4 mm | 61.4 mm | |
| FF300R12KE4 | 1200 V | IGBT4 - E4 | 300 A | 1.75 V | 1.65 V | 62 mm | 106.4 mm | 61.4 mm | |
| FF300R12KE4_B2 | 1200 V | IGBT4 - E4 | 300 A | 1.75 V | 1.65 V | 62 mm | 106.4 mm | 61.4 mm | |
| FF300R17KE4P | 1700 V | IGBT4 - E4 | 300 A | 1.95 V | 1.8 V | 62 mm | 106.4 mm | 61.4 mm | |
| FF300R12KS4P | 1200 V | IGBT2 Fast | 300 A | 3.2 V | 2 V | 62 mm | 106.4 mm | 61.4 mm | |
| FF300R12KS4 | 1200 V | IGBT2 Fast | 300 A | 3.2 V | 2 V | 62 mm | 106.4 mm | 61.4 mm | |
| FF400R12KT3P_E | 1200 V | IGBT3 - T3 | 400 A | 1.7 V | 1.65 V | 62 mm | 106.4 mm | 61.4 mm | |
| FF400R12KT4P | 1200 V | IGBT4 - T4 | 400 A | 1.65 V | 1.65 V | 62 mm | 106.4 mm | 61.4 mm | |
| FF400R07KE4 | 650 V | IGBT4 - E4 | 400 A | 1.55 V | 1.55 V | 62 mm | 106.4 mm | 61.4 mm | |
| FF400R17KE4_E | 1700 V | IGBT4 - E4 | 400 A | 1.95 V | 1.8 V | 62 mm | 106.4 mm | 61.4 mm | |
| FF400R17KE4 | 1700 V | IGBT4 - E4 | 400 A | 1.95 V | 1.8 V | 62 mm | 106.4 mm | 61.4 mm | |
| FF400R12KT3_E | 1200 V | IGBT3 - T3 | 400 A | 1.7 V | 1.65 V | 62 mm | 106.4 mm | 61.4 mm | |
| FF400R12KT3 | 1200 V | IGBT3 - T3 | 400 A | 1.7 V | 1.65 V | 62 mm | 106.4 mm | 61.4 mm | |
| FF400R12KE3_B2 | 1200 V | IGBT3 - E3 | 400 A | 1.7 V | 1.65 V | 62 mm | 106.4 mm | 61.4 mm | |
| FF400R12KE3 | 1200 V | IGBT3 - E3 | 400 A | 1.7 V | 1.65 V | 62 mm | 106.4 mm | 61.4 mm | |
| FF400R06KE3 | 600 V | IGBT3 - E3 | 400 A | 1.45 V | 1.55 V | 62 mm | 106.4 mm | 61.4 mm | |
| FF450R12KT4 | 1200 V | IGBT4 - T4 | 450 A | 1.75 V | 1.7 V | 62 mm | 106.4 mm | 61.4 mm | |
| FF450R12KT4P | 1200 V | IGBT4 - T4 | 450 A | 1.75 V | 1.7 V | 62 mm | 106.4 mm | 61.4 mm | |
| FF450R12KE4 | 1200 V | IGBT4 - E4 | 450 A | 1.75 V | 1.7 V | 62 mm | 106.4 mm | 61.4 mm | |
| FF450R12KE4_E | 1200 V | IGBT4 - E4 | 450 A | 1.75 V | 1.7 V | 62 mm | 106.4 mm | 61.4 mm | |
| FF450R12KE4P | 1200 V | IGBT4 - E4 | 450 A | 1.75 V | 1.7 V | 62 mm | 106.4 mm | 61.4 mm | |
| FF500R17KE4 | 1700 V | IGBT4 - E4 | 500 A | 1.95 V | 1.95 V | 62 mm | 106.4 mm | 61.4 mm | |
| FF600R12KE4_E | 1200 V | IGBT4 - E4 | 600 A | 1.75 V | 1.7 V | 62 mm | 106.4 mm | 61.4 mm | |
| FF600R12KE4 | 1200 V | IGBT4 - E4 | 600 A | 1.75 V | 1.7 V | 62 mm | 106.4 mm | 61.4 mm | |
| FF600R12KE4P | 1200 V | IGBT4 - E4 | 600 A | 1.75 V | 1.7 V | 62 mm | 106.4 mm | 61.4 mm |

